Подшипник FLCTEY30 (INA)

Подшипник FLCTEY30 (INA)

Технические характеристики

Обозначение : FLCTEY30

Производитель : INA

Диаметр внутренний, мм : 30

Высота, мм : 30

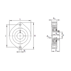
Технические данные из каталога производителя :

Внутренний диаметр (d) - 30 мм.

Размер (U) - 32,4

Размер (A1) - 20,5 мм.

Размер (B) - 30 мм.

Размер (H) - 112,5 мм.

Размер (J) - 90,5 мм.

Размер (L) - 84

Размер (N) - 11,5 мм.

Размер (A2) - 11,4

Масса - 0,7 Кг

Грузоподъемность динамическая (C) - 19,5 кН

Грузоподъемность статическая (C0) - 11,3 кН

Количество дорожек качения - 1

Уплотнение - Есть

Цены указаны ознакомительные, для уточнения цены и наличия просим связаться с нами по телефону, или отправить заявку на почту - sales@specprompodshipnik.ru или по тел.: +7(499) 369-70-54

Возврат к списку