Подшипник FLCTE40 (INA)

Подшипник FLCTE40 (INA)

Технические характеристики

Обозначение : FLCTE40

Производитель : INA

Диаметр внутренний, мм : 40

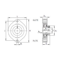
Технические данные из каталога производителя :

Внутренний диаметр (d) - 40 мм.

Размер (U) - 46,3

Размер (d3) - 58 мм.

Размер (A1) - 24 мм.

Размер (B1) - 43,8 мм.

Размер (H) - 150 мм.

Размер (J) - 119 мм.

Размер (L) - 100

Размер (N) - 14 мм.

Размер (A2) - 13,5

Масса - 1,27 Кг

Грузоподъемность динамическая (C) - 32,5 кН

Грузоподъемность статическая (C0) - 19,8 кН

Количество дорожек качения - 1

Уплотнение - Есть

Цены указаны ознакомительные, для уточнения цены и наличия просим связаться с нами по телефону, или отправить заявку на почту - sales@specprompodshipnik.ru или по тел.: +7(499) 369-70-54

Возврат к списку