Подшипник EXPLE207 (SNR)

Подшипник EXPLE207 (SNR)

Технические характеристики

Обозначение : EXPLE207

Производитель : SNR

Диаметр внутренний, мм : 35

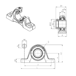
Технические данные из каталога производителя :

Внутренний диаметр (d) - 35 мм.

Размер (s) - 18,8 мм.

Размер (A) - 44,5 мм.

Размер (A1) - 30,5 мм.

Размер (B1) - 51,1 мм.

Размер (D2) - 55,6 мм.

Размер (H) - 46,2 мм.

Размер (H1) - 16 мм.

Размер (H2) - 91,5 мм.

Размер (J) - 129 мм.

Размер (L) - 166

Размер (N) - 14 мм.

Размер (N1) - 21,5 мм.

Резьба (G) - M6x1

Масса - 1,7 Кг

Грузоподъемность динамическая (C) - 25,7 кН

Грузоподъемность статическая (C0) - 15,2 кН

Количество дорожек качения - 1

Уплотнение - Есть

Цены указаны ознакомительные, для уточнения цены и наличия просим связаться с нами по телефону, или отправить заявку на почту - sales@specprompodshipnik.ru или по тел.: +7(499) 369-70-54

Возврат к списку