Подшипник EXPG210 (SNR)

Подшипник EXPG210 (SNR)

Технические характеристики

Обозначение : EXPG210

Производитель : SNR

Диаметр внутренний, мм : 50

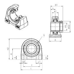
Технические данные из каталога производителя :

Внутренний диаметр (d) - 50 мм.

Размер (s) - 24,6 мм.

Размер (A) - 60 мм.

Размер (A1) - 35 мм.

Размер (B1) - 62,7 мм.

Размер (D2) - 69,9 мм.

Размер (E) - 25 мм.

Размер (H) - 57,2 мм.

Размер (H1) - 21 мм.

Размер (H2) - 114 мм.

Размер (J) - 95 мм.

Размер (L) - 135

Размер (L1) - 40 мм.

Резьба (G) - M6x1

Резьба (N1) - M16

Масса - 3 Кг

Грузоподъемность динамическая (C) - 35,1 кН

Грузоподъемность статическая (C0) - 23,2 кН

Количество дорожек качения - 1

Уплотнение - Есть

Цены указаны ознакомительные, для уточнения цены и наличия просим связаться с нами по телефону, или отправить заявку на почту - sales@specprompodshipnik.ru или по тел.: +7(499) 369-70-54

Возврат к списку