Подшипник ZKLN5090-2RS (INA)

Подшипник ZKLN5090-2RS (INA)

Технические характеристики

Обозначение : ZKLN5090-2RS

Размеры, мм : 50x90x34

Производитель : INA

Диаметр внутренний, мм : 50

Диаметр наружный, мм : 90

Высота, мм : 34

Технические данные из каталога производителя :

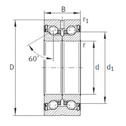
Внутренний диаметр (d) - 50 мм.

Наружный диаметр (D) - 90 мм.

Ширина (высота) (B) - 34 мм.

Ширина наружной обоймы (C) - 34 мм.

Угол наклона (?) - 60 Градусы

Размер (d1) - 72 мм.

Размер (r min.) - 0,3 мм.

Размер (r1 min.) - 0,6 мм.

Масса - 0,88 Кг

Грузоподъемность динамическая (C) - 46 500 кН

Грузоподъемность статическая (C0) - 126 000 кН

Частота вращения предельная при жидкой смазке - 1 500 об/мин

Количество дорожек качения - 2

Уплотнение - Есть

Цены указаны ознакомительные, для уточнения цены и наличия просим связаться с нами по телефону, или отправить заявку на почту - sales@specprompodshipnik.ru или по тел.: +7(499) 369-70-54

Возврат к списку