Подшипник ZKLF2575-2RS-2AP (INA)

Подшипник ZKLF2575-2RS-2AP (INA)

Технические характеристики

Обозначение : ZKLF2575-2RS-2AP

Размеры, мм : 25x75x56

Производитель : INA

Диаметр внутренний, мм : 25

Диаметр наружный, мм : 75

Высота, мм : 56

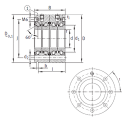
Технические данные из каталога производителя :

Внутренний диаметр (d) - 25 мм.

Наружный диаметр (D) - 75 мм.

Ширина (высота) (B) - 56 мм.

Ширина наружной обоймы (C) - 56 мм.

Крепежный винт - 8X45°

Размер (I) - 3

Угол наклона (?) - 60 Градусы

Размер (b) - 47 мм.

Размер (d1) - 40,5 мм.

Размер (d2) - 6,8 мм.

Размер (r min.) - 0,3 мм.

Размер (r1 min.) - 0,6 мм.

Размер (J) - 58 мм.

Болт (G) - M6X70

Масса - 1,44 Кг

Грузоподъемность динамическая (C) - 44,5 кН

Грузоподъемность статическая (C0) - 111 кН

Частота вращения предельная при пластичной смазке - 2 600 об/мин

Количество дорожек качения - 2

Уплотнение - Есть

Цены указаны ознакомительные, для уточнения цены и наличия просим связаться с нами по телефону, или отправить заявку на почту - sales@specprompodshipnik.ru или по тел.: +7(499) 369-70-54

Возврат к списку