Подшипник 105TAC29X+L (NSK)

Подшипник 105TAC29X+L (NSK)

Технические характеристики

Обозначение : 105TAC29X+L

Размеры, мм : 105x145x48

Производитель : NSK

Диаметр внутренний, мм : 105

Диаметр наружный, мм : 145

Высота, мм : 48

Технические данные из каталога производителя :

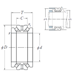
Внутренний диаметр (d) - 105 мм.

Наружный диаметр (D) - 145 мм.

Ширина рабочая (T) - 48 мм.

Ширина наружной обоймы (C) - 24 мм.

Угол наклона (α) - 60 Градусы

Размер (r min.) - 1,1 мм.

Размер (r1 min.) - 0,6 мм.

Размер сопряженных деталей (Da) - 139

Размер сопряженных деталей (ra max.) - 1

Размер сопряженных деталей (rb max.) - 0,6

Размер сопряженных деталей (da) - 122

Масса - 2,04 Кг

Грузоподъемность динамическая (C) - 56,5 кН

Грузоподъемность статическая (C0) - 208 кН

Частота вращения предельная при пластичной смазке - 3600 об/мин

Частота вращения предельная при жидкой смазке - 4000 об/мин

Количество дорожек качения - 2

Уплотнение - Нет

Цены указаны ознакомительные, для уточнения цены и наличия просим связаться с нами по телефону, или отправить заявку на почту - sales@specprompodshipnik.ru или по тел.: +7(499) 369-70-54

Возврат к списку