Подшипник 100TAC20X+L (NSK)

Подшипник 100TAC20X+L (NSK)

Технические характеристики

Обозначение : 100TAC20X+L

Размеры, мм : 100x150x60

Производитель : NSK

Диаметр внутренний, мм : 100

Диаметр наружный, мм : 150

Высота, мм : 60

Технические данные из каталога производителя :

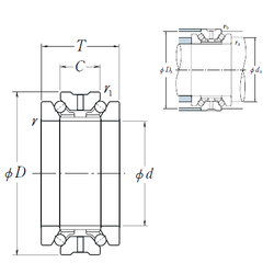
Внутренний диаметр (d) - 100 мм.

Наружный диаметр (D) - 150 мм.

Ширина рабочая (T) - 60 мм.

Ширина наружной обоймы (C) - 30 мм.

Угол наклона (α) - 60 Градусы

Размер (r min.) - 1,5 мм.

Размер (r1 min.) - 1 мм.

Размер сопряженных деталей (Da) - 141

Размер сопряженных деталей (ra max.) - 1,5

Размер сопряженных деталей (rb max.) - 1

Размер сопряженных деталей (da) - 120

Масса - 3,2 Кг

Грузоподъемность динамическая (C) - 80,5 кН

Грузоподъемность статическая (C0) - 267 кН

Частота вращения предельная при пластичной смазке - 3600 об/мин

Частота вращения предельная при жидкой смазке - 4000 об/мин

Количество дорожек качения - 2

Уплотнение - Нет

Цены указаны ознакомительные, для уточнения цены и наличия просим связаться с нами по телефону, или отправить заявку на почту - sales@specprompodshipnik.ru или по тел.: +7(499) 369-70-54

Возврат к списку