Подшипник SC03A59LLUC3/L347 (NTN)

Подшипник SC03A59LLUC3/L347 (NTN)

Технические характеристики

Обозначение : SC03A59LLUC3/L347

Размеры, мм : 17x59x20

Производитель : NTN

Диаметр внутренний, мм : 17

Диаметр наружный, мм : 59

Высота, мм : 20

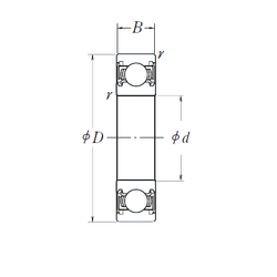
Технические данные из каталога производителя :

Внутренний диаметр (d) - 17 мм.

Наружный диаметр (D) - 59 мм.

Ширина (высота) (B) - 20 мм.

Ширина наружной обоймы (C) - 20 мм.

Масса - 0,266 Кг

Количество дорожек качения - 1

Уплотнение - Есть

Цены указаны ознакомительные, для уточнения цены и наличия просим связаться с нами по телефону, или отправить заявку на почту - sales@specprompodshipnik.ru или по тел.: +7(499) 369-70-54

Возврат к списку