Подшипник SC0299LUZCS24/283 (NTN)

Подшипник SC0299LUZCS24/283 (NTN)

Технические характеристики

Обозначение : SC0299LUZCS24/283

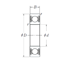
Размеры, мм : 15.38x38x12

Производитель : NTN

Диаметр внутренний, мм : 15,38

Диаметр наружный, мм : 38

Высота, мм : 12

Технические данные из каталога производителя :

Внутренний диаметр (d) - 15,38 мм.

Наружный диаметр (D) - 38 мм.

Ширина (высота) (B) - 12 мм.

Ширина наружной обоймы (C) - 12 мм.

Количество дорожек качения - 1

Уплотнение - Есть

Цены указаны ознакомительные, для уточнения цены и наличия просим связаться с нами по телефону, или отправить заявку на почту - sales@specprompodshipnik.ru или по тел.: +7(499) 369-70-54

Возврат к списку