Подшипник SC0142ZZNR (NTN)

Подшипник SC0142ZZNR (NTN)

Технические характеристики

Обозначение : SC0142ZZNR

Размеры, мм : 12x28x8

Производитель : NTN

Диаметр внутренний, мм : 12

Диаметр наружный, мм : 28

Высота, мм : 8

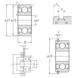
Технические данные из каталога производителя :

Внутренний диаметр (d) - 12 мм.

Наружный диаметр (D) - 28 мм.

Ширина (высота) (B) - 8 мм.

Ширина наружной обоймы (C) - 8 мм.

Размер (rn) - 0,3

Размер (a) - 2,2 мм.

Размер (b) - 0,9 мм.

Размер (f) - 0,85 мм.

Размер (r min.) - 0,3 мм.

Размер (r0 max.) - 0,3 мм.

Размер (D1) - 26,44 мм.

Размер (D2) - 32,7 мм.

Размер сопряженных деталей (da min.) - 14

Размер сопряженных деталей (da max) - 16

Размер сопряженных деталей (Da max.) - 26

Размер сопряженных деталей (ra max.) - 0,3

Размер сопряженных деталей (Dx) - 33,4

Размер сопряженных деталей (Cy) - 2,8

Размер сопряженных деталей (Cz) - 0,9

Размер сопряженных деталей (rn) - 0,3

Масса - 0,022 Кг

Грузоподъемность динамическая (C) - 5,1 кН

Грузоподъемность статическая (C0) - 2,39 кН

Частота вращения предельная при пластичной смазке - 26000 об/мин

Расчетный коэффициент (f0) - 13,2

Количество дорожек качения - 1

Уплотнение - Есть

Цены указаны ознакомительные, для уточнения цены и наличия просим связаться с нами по телефону, или отправить заявку на почту - sales@specprompodshipnik.ru или по тел.: +7(499) 369-70-54

Возврат к списку