Подшипник SB930A (KOYO)

Подшипник SB930A (KOYO)

Технические характеристики

Обозначение : SB930A

Размеры, мм : 930x1010x40

Производитель : KOYO

Диаметр внутренний, мм : 930

Диаметр наружный, мм : 1010

Высота, мм : 40

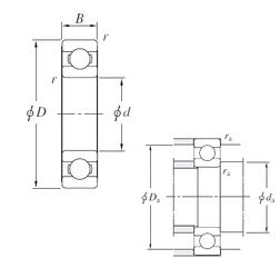
Технические данные из каталога производителя :

Внутренний диаметр (d) - 930 мм.

Наружный диаметр (D) - 1010 мм.

Ширина (высота) (B) - 40 мм.

Размер (r min.) - 2,1 мм.

Размер сопряженных деталей (da min.) - 946

Размер сопряженных деталей (Da max.) - 994

Размер сопряженных деталей (ra max.) - 2

Масса - 31 Кг

Грузоподъемность динамическая (C) - 218 кН

Грузоподъемность статическая (C0) - 494 кН

Расчетный коэффициент (f0) - 14,3

Количество дорожек качения - 1

Уплотнение - Нет

Цены указаны ознакомительные, для уточнения цены и наличия просим связаться с нами по телефону, или отправить заявку на почту - sales@specprompodshipnik.ru или по тел.: +7(499) 369-70-54

Возврат к списку