Подшипник SB9266 (KOYO)

Подшипник SB9266 (KOYO)

Технические характеристики

Обозначение : SB9266

Размеры, мм : 460x659x80

Производитель : KOYO

Диаметр внутренний, мм : 460

Диаметр наружный, мм : 659

Высота, мм : 80

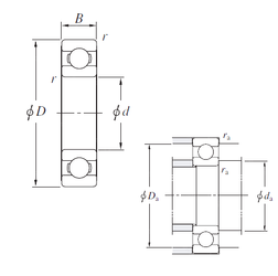
Технические данные из каталога производителя :

Внутренний диаметр (d) - 460 мм.

Наружный диаметр (D) - 659 мм.

Ширина (высота) (B) - 80 мм.

Размер (r min.) - 4 мм.

Размер сопряженных деталей (da min.) - 476

Размер сопряженных деталей (Da max.) - 643

Размер сопряженных деталей (ra max.) - 3

Масса - 90 Кг

Грузоподъемность динамическая (C) - 484 кН

Грузоподъемность статическая (C0) - 854 кН

Расчетный коэффициент (f0) - 16,3

Количество дорожек качения - 1

Уплотнение - Нет

Цены указаны ознакомительные, для уточнения цены и наличия просим связаться с нами по телефону, или отправить заявку на почту - sales@specprompodshipnik.ru или по тел.: +7(499) 369-70-54

Возврат к списку