Подшипник SB8862A (KOYO)

Подшипник SB8862A (KOYO)

Технические характеристики

Обозначение : SB8862A

Размеры, мм : 440x619x75

Производитель : KOYO

Диаметр внутренний, мм : 440

Диаметр наружный, мм : 619

Высота, мм : 75

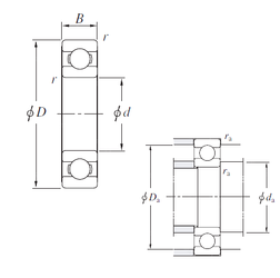
Технические данные из каталога производителя :

Внутренний диаметр (d) - 440 мм.

Наружный диаметр (D) - 619 мм.

Ширина (высота) (B) - 75 мм.

Размер (r min.) - 4 мм.

Размер сопряженных деталей (da min.) - 456

Размер сопряженных деталей (Da max.) - 603

Размер сопряженных деталей (ra max.) - 3

Масса - 70,3 Кг

Грузоподъемность динамическая (C) - 422 кН

Грузоподъемность статическая (C0) - 724 кН

Расчетный коэффициент (f0) - 16,5

Количество дорожек качения - 1

Уплотнение - Нет

Цены указаны ознакомительные, для уточнения цены и наличия просим связаться с нами по телефону, или отправить заявку на почту - sales@specprompodshipnik.ru или по тел.: +7(499) 369-70-54

Возврат к списку