Подшипник SB7255 (KOYO)

Подшипник SB7255 (KOYO)

Технические характеристики

Обозначение : SB7255

Размеры, мм : 360x550x85

Производитель : KOYO

Диаметр внутренний, мм : 360

Диаметр наружный, мм : 550

Высота, мм : 85

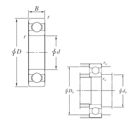
Технические данные из каталога производителя :

Внутренний диаметр (d) - 360 мм.

Наружный диаметр (D) - 550 мм.

Ширина (высота) (B) - 85 мм.

Размер (r min.) - 5 мм.

Размер сопряженных деталей (da min.) - 380

Размер сопряженных деталей (Da max.) - 530

Размер сопряженных деталей (ra max.) - 4

Масса - 71,9 Кг

Грузоподъемность динамическая (C) - 438 кН

Грузоподъемность статическая (C0) - 669 кН

Расчетный коэффициент (f0) - 15,8

Количество дорожек качения - 1

Уплотнение - Нет

Цены указаны ознакомительные, для уточнения цены и наличия просим связаться с нами по телефону, или отправить заявку на почту - sales@specprompodshipnik.ru или по тел.: +7(499) 369-70-54

Возврат к списку