Подшипник SB700 (KOYO)

Подшипник SB700 (KOYO)

Технические характеристики

Обозначение : SB700

Размеры, мм : 700x979x150

Производитель : KOYO

Диаметр внутренний, мм : 700

Диаметр наружный, мм : 979

Высота, мм : 150

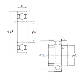
Технические данные из каталога производителя :

Внутренний диаметр (d) - 700 мм.

Наружный диаметр (D) - 979 мм.

Ширина (высота) (B) - 150 мм.

Размер (r min.) - 6 мм.

Размер сопряженных деталей (da min.) - 724

Размер сопряженных деталей (Da max.) - 955

Размер сопряженных деталей (ra max.) - 5

Масса - 326 Кг

Грузоподъемность динамическая (C) - 837 кН

Грузоподъемность статическая (C0) - 1900 кН

Расчетный коэффициент (f0) - 16,4

Количество дорожек качения - 1

Уплотнение - Нет

Цены указаны ознакомительные, для уточнения цены и наличия просим связаться с нами по телефону, или отправить заявку на почту - sales@specprompodshipnik.ru или по тел.: +7(499) 369-70-54

Возврат к списку