Подшипник SB6848 (KOYO)

Подшипник SB6848 (KOYO)

Технические характеристики

Обозначение : SB6848

Размеры, мм : 340x479.5x65

Производитель : KOYO

Диаметр внутренний, мм : 340

Диаметр наружный, мм : 479,5

Высота, мм : 65

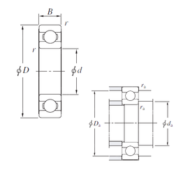
Технические данные из каталога производителя :

Внутренний диаметр (d) - 340 мм.

Наружный диаметр (D) - 479,5 мм.

Ширина (высота) (B) - 65 мм.

Размер (r min.) - 3 мм.

Размер сопряженных деталей (da min.) - 353

Размер сопряженных деталей (Da max.) - 466,5

Размер сопряженных деталей (ra max.) - 2,5

Масса - 35,5 Кг

Грузоподъемность динамическая (C) - 330 кН

Грузоподъемность статическая (C0) - 480 кН

Расчетный коэффициент (f0) - 16,2

Количество дорожек качения - 1

Уплотнение - Нет

Цены указаны ознакомительные, для уточнения цены и наличия просим связаться с нами по телефону, или отправить заявку на почту - sales@specprompodshipnik.ru или по тел.: +7(499) 369-70-54

Возврат к списку