Подшипник SB6646 (KOYO)

Подшипник SB6646 (KOYO)

Технические характеристики

Обозначение : SB6646

Размеры, мм : 330x459.5x56

Производитель : KOYO

Диаметр внутренний, мм : 330

Диаметр наружный, мм : 459,5

Высота, мм : 56

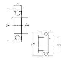
Технические данные из каталога производителя :

Внутренний диаметр (d) - 330 мм.

Наружный диаметр (D) - 459,5 мм.

Ширина (высота) (B) - 56 мм.

Размер (r min.) - 3 мм.

Размер сопряженных деталей (da min.) - 343

Размер сопряженных деталей (Da max.) - 446,5

Размер сопряженных деталей (ra max.) - 2,5

Масса - 28,4 Кг

Грузоподъемность динамическая (C) - 301 кН

Грузоподъемность статическая (C0) - 439 кН

Расчетный коэффициент (f0) - 16,4

Количество дорожек качения - 1

Уплотнение - Нет

Цены указаны ознакомительные, для уточнения цены и наличия просим связаться с нами по телефону, или отправить заявку на почту - sales@specprompodshipnik.ru или по тел.: +7(499) 369-70-54

Возврат к списку