Подшипник SB590A (KOYO)

Подшипник SB590A (KOYO)

Технические характеристики

Обозначение : SB590A

Размеры, мм : 590x820x105

Производитель : KOYO

Диаметр внутренний, мм : 590

Диаметр наружный, мм : 820

Высота, мм : 105

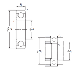
Технические данные из каталога производителя :

Внутренний диаметр (d) - 590 мм.

Наружный диаметр (D) - 820 мм.

Ширина (высота) (B) - 105 мм.

Размер (r min.) - 6 мм.

Размер сопряженных деталей (da min.) - 614

Размер сопряженных деталей (Da max.) - 796

Размер сопряженных деталей (ra max.) - 5

Масса - 166 Кг

Грузоподъемность динамическая (C) - 637 кН

Грузоподъемность статическая (C0) - 1280 кН

Расчетный коэффициент (f0) - 16,4

Количество дорожек качения - 1

Уплотнение - Нет

Цены указаны ознакомительные, для уточнения цены и наличия просим связаться с нами по телефону, или отправить заявку на почту - sales@specprompodshipnik.ru или по тел.: +7(499) 369-70-54

Возврат к списку