Подшипник SB5238 (KOYO)

Подшипник SB5238 (KOYO)

Технические характеристики

Обозначение : SB5238

Размеры, мм : 260x379.5x56

Производитель : KOYO

Диаметр внутренний, мм : 260

Диаметр наружный, мм : 379,5

Высота, мм : 56

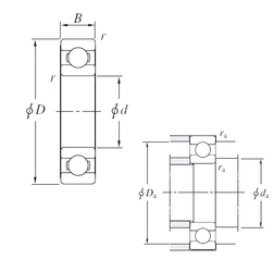
Технические данные из каталога производителя :

Внутренний диаметр (d) - 260 мм.

Наружный диаметр (D) - 379,5 мм.

Ширина (высота) (B) - 56 мм.

Размер (r min.) - 3 мм.

Размер сопряженных деталей (da min.) - 273

Размер сопряженных деталей (Da max.) - 366,5

Размер сопряженных деталей (ra max.) - 2,5

Масса - 20,3 Кг

Грузоподъемность динамическая (C) - 253 кН

Грузоподъемность статическая (C0) - 321 кН

Расчетный коэффициент (f0) - 16,1

Количество дорожек качения - 1

Уплотнение - Нет

Цены указаны ознакомительные, для уточнения цены и наличия просим связаться с нами по телефону, или отправить заявку на почту - sales@specprompodshipnik.ru или по тел.: +7(499) 369-70-54

Возврат к списку