Подшипник SB520-1 (KOYO)

Подшипник SB520-1 (KOYO)

Технические характеристики

Обозначение : SB520-1

Размеры, мм : 520x679.5x78

Производитель : KOYO

Диаметр внутренний, мм : 520

Диаметр наружный, мм : 679,5

Высота, мм : 78

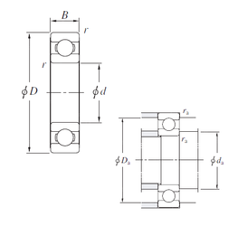
Технические данные из каталога производителя :

Внутренний диаметр (d) - 520 мм.

Наружный диаметр (D) - 679,5 мм.

Ширина (высота) (B) - 78 мм.

Размер (r min.) - 3 мм.

Размер сопряженных деталей (da min.) - 533

Размер сопряженных деталей (Da max.) - 666,5

Размер сопряженных деталей (ra max.) - 2,5

Масса - 72,2 Кг

Грузоподъемность динамическая (C) - 457 кН

Грузоподъемность статическая (C0) - 848 кН

Расчетный коэффициент (f0) - 16,4

Количество дорожек качения - 1

Уплотнение - Нет

Цены указаны ознакомительные, для уточнения цены и наличия просим связаться с нами по телефону, или отправить заявку на почту - sales@specprompodshipnik.ru или по тел.: +7(499) 369-70-54

Возврат к списку