Подшипник SB5035 (KOYO)

Подшипник SB5035 (KOYO)

Технические характеристики

Обозначение : SB5035

Размеры, мм : 250x349.5x46

Производитель : KOYO

Диаметр внутренний, мм : 250

Диаметр наружный, мм : 349,5

Высота, мм : 46

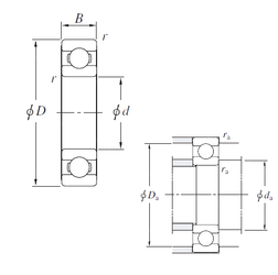
Технические данные из каталога производителя :

Внутренний диаметр (d) - 250 мм.

Наружный диаметр (D) - 349,5 мм.

Ширина (высота) (B) - 46 мм.

Размер (r min.) - 2,1 мм.

Размер сопряженных деталей (da min.) - 261

Размер сопряженных деталей (Da max.) - 338,5

Размер сопряженных деталей (ra max.) - 2

Масса - 13,1 Кг

Грузоподъемность динамическая (C) - 197 кН

Грузоподъемность статическая (C0) - 238 кН

Расчетный коэффициент (f0) - 16,4

Количество дорожек качения - 1

Уплотнение - Нет

Цены указаны ознакомительные, для уточнения цены и наличия просим связаться с нами по телефону, или отправить заявку на почту - sales@specprompodshipnik.ru или по тел.: +7(499) 369-70-54

Возврат к списку