Подшипник SB4833 (KOYO)

Подшипник SB4833 (KOYO)

Технические характеристики

Обозначение : SB4833

Размеры, мм : 240x329.5x40

Производитель : KOYO

Диаметр внутренний, мм : 240

Диаметр наружный, мм : 329,5

Высота, мм : 40

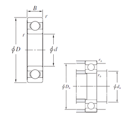
Технические данные из каталога производителя :

Внутренний диаметр (d) - 240 мм.

Наружный диаметр (D) - 329,5 мм.

Ширина (высота) (B) - 40 мм.

Размер (r min.) - 2,1 мм.

Размер сопряженных деталей (da min.) - 251

Размер сопряженных деталей (Da max.) - 318,5

Размер сопряженных деталей (ra max.) - 2

Масса - 9,8 Кг

Грузоподъемность динамическая (C) - 173 кН

Грузоподъемность статическая (C0) - 205 кН

Расчетный коэффициент (f0) - 16,5

Количество дорожек качения - 1

Уплотнение - Нет

Цены указаны ознакомительные, для уточнения цены и наличия просим связаться с нами по телефону, или отправить заявку на почту - sales@specprompodshipnik.ru или по тел.: +7(499) 369-70-54

Возврат к списку