Подшипник SB4634 (KOYO)

Подшипник SB4634 (KOYO)

Технические характеристики

Обозначение : SB4634

Размеры, мм : 230x339.5x45

Производитель : KOYO

Диаметр внутренний, мм : 230

Диаметр наружный, мм : 339,5

Высота, мм : 45

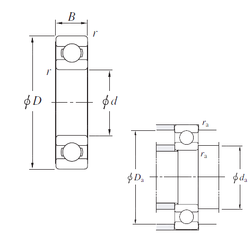
Технические данные из каталога производителя :

Внутренний диаметр (d) - 230 мм.

Наружный диаметр (D) - 339,5 мм.

Ширина (высота) (B) - 45 мм.

Размер (r min.) - 3 мм.

Размер сопряженных деталей (da min.) - 243

Размер сопряженных деталей (Da max.) - 326,5

Размер сопряженных деталей (ra max.) - 2,5

Масса - 13,6 Кг

Грузоподъемность динамическая (C) - 223 кН

Грузоподъемность статическая (C0) - 267 кН

Расчетный коэффициент (f0) - 16

Количество дорожек качения - 1

Уплотнение - Нет

Цены указаны ознакомительные, для уточнения цены и наличия просим связаться с нами по телефону, или отправить заявку на почту - sales@specprompodshipnik.ru или по тел.: +7(499) 369-70-54

Возврат к списку