Подшипник SB212 (CX)

Подшипник SB212 (CX)

Технические характеристики

Обозначение : SB212

Размеры, мм : 60x110x53.7

Производитель : CX

Диаметр внутренний, мм : 60

Диаметр наружный, мм : 110

Высота, мм : 53,7

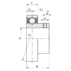
Технические данные из каталога производителя :

Внутренний диаметр (d) - 60 мм.

Наружный диаметр (D) - 110 мм.

Ширина (высота) (B) - 53,7 мм.

Ширина наружной обоймы (C) - 22 мм.

Размер (S1) - 38,8

Размер (G) - 9,8 мм.

Размер (S) - 14,9 мм.

Болт (G) - M10X1

Масса - 1,3 Кг

Грузоподъемность динамическая (C) - 36,74 кН

Грузоподъемность статическая (C0) - 27,97 кН

Количество дорожек качения - 1

Уплотнение - Есть

Цены указаны ознакомительные, для уточнения цены и наличия просим связаться с нами по телефону, или отправить заявку на почту - sales@specprompodshipnik.ru или по тел.: +7(499) 369-70-54

Возврат к списку