Подшипник SB211 (CX)

Подшипник SB211 (CX)

Технические характеристики

Обозначение : SB211

Размеры, мм : 55x100x45.3

Производитель : CX

Диаметр внутренний, мм : 55

Диаметр наружный, мм : 100

Высота, мм : 45,3

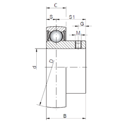
Технические данные из каталога производителя :

Внутренний диаметр (d) - 55 мм.

Наружный диаметр (D) - 100 мм.

Ширина (высота) (B) - 45,3 мм.

Ширина наружной обоймы (C) - 21 мм.

Размер (S1) - 33,5

Размер (G) - 9,8 мм.

Размер (S) - 11,8 мм.

Болт (G) - M10X1

Масса - 1,1 Кг

Грузоподъемность динамическая (C) - 33,37 кН

Грузоподъемность статическая (C0) - 25,11 кН

Количество дорожек качения - 1

Уплотнение - Есть

Цены указаны ознакомительные, для уточнения цены и наличия просим связаться с нами по телефону, или отправить заявку на почту - sales@specprompodshipnik.ru или по тел.: +7(499) 369-70-54

Возврат к списку