Подшипник SB209 (CX)

Подшипник SB209 (CX)

Технические характеристики

Обозначение : SB209

Размеры, мм : 45x85x41.2

Производитель : CX

Диаметр внутренний, мм : 45

Диаметр наружный, мм : 85

Высота, мм : 41,2

Технические данные из каталога производителя :

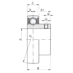
Внутренний диаметр (d) - 45 мм.

Наружный диаметр (D) - 85 мм.

Ширина (высота) (B) - 41,2 мм.

Ширина наружной обоймы (C) - 19 мм.

Размер (S1) - 31

Размер (G) - 8,2 мм.

Размер (S) - 10,2 мм.

Болт (G) - M8X1

Масса - 0,8 Кг

Грузоподъемность динамическая (C) - 24,36 кН

Грузоподъемность статическая (C0) - 17,71 кН

Количество дорожек качения - 1

Уплотнение - Есть

Цены указаны ознакомительные, для уточнения цены и наличия просим связаться с нами по телефону, или отправить заявку на почту - sales@specprompodshipnik.ru или по тел.: +7(499) 369-70-54

Возврат к списку