Подшипник SB208-24 (KOYO)

Подшипник SB208-24 (KOYO)

Технические характеристики

Обозначение : SB208-24

Размеры, мм : 38.1x80x34

Производитель : KOYO

Диаметр внутренний, мм : 38,1

Диаметр наружный, мм : 80

Высота, мм : 34

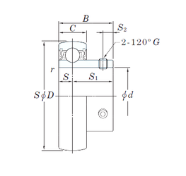
Технические данные из каталога производителя :

Внутренний диаметр (d) - 38,1 мм.

Наружный диаметр (D) - 80 мм.

Ширина (высота) (B) - 34 мм.

Ширина наружной обоймы (C) - 18 мм.

Размер (S1) - 25

Размер (r min.) - 1,1 мм.

Размер (S) - 9 мм.

Размер (S2) - 8

Резьба (G) - 5/16-24UNF

Масса - 0,6 Кг

Грузоподъемность динамическая (C) - 29,1 кН

Грузоподъемность статическая (C0) - 17,8 кН

Расчетный коэффициент (f0) - 14

Количество дорожек качения - 1

Уплотнение - Есть

Цены указаны ознакомительные, для уточнения цены и наличия просим связаться с нами по телефону, или отправить заявку на почту - sales@specprompodshipnik.ru или по тел.: +7(499) 369-70-54

Возврат к списку