Подшипник SB207 (CX)

Подшипник SB207 (CX)

Технические характеристики

Обозначение : SB207

Размеры, мм : 35x72x32

Производитель : CX

Диаметр внутренний, мм : 35

Диаметр наружный, мм : 72

Высота, мм : 32

Технические данные из каталога производителя :

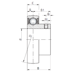
Внутренний диаметр (d) - 35 мм.

Наружный диаметр (D) - 72 мм.

Ширина (высота) (B) - 32 мм.

Ширина наружной обоймы (C) - 17 мм.

Размер (S1) - 23,5

Размер (G) - 6,5 мм.

Размер (S) - 8,5 мм.

Болт (G) - M8X1

Масса - 0,38 Кг

Грузоподъемность динамическая (C) - 19,75 кН

Грузоподъемность статическая (C0) - 13,67 кН

Количество дорожек качения - 1

Уплотнение - Есть

Цены указаны ознакомительные, для уточнения цены и наличия просим связаться с нами по телефону, или отправить заявку на почту - sales@specprompodshipnik.ru или по тел.: +7(499) 369-70-54

Возврат к списку