Подшипник SB207-20 (KOYO)

Подшипник SB207-20 (KOYO)

Технические характеристики

Обозначение : SB207-20

Размеры, мм : 72x31.75x32

Производитель : KOYO

Диаметр внутренний, мм : 72

Диаметр наружный, мм : 31.75

Высота, мм : 32

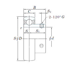
Технические данные из каталога производителя :

Внутренний диаметр (d) - 31.75 мм.

Наружный диаметр (D) - 72 мм.

Ширина (высота) (B) - 32 мм.

Ширина наружной обоймы (C) - 17 мм.

Размер (S1) - 23,5

Размер (r min.) - 1,1 мм.

Размер (S) - 8,5 мм.

Размер (S2) - 6

Резьба (G) - 1/4-28UNF

Масса - 0,42 Кг

Грузоподъемность динамическая (C) - 25,7 кН

Грузоподъемность статическая (C0) - 15,4 кН

Расчетный коэффициент (f0) - 13,9

Количество дорожек качения - 1

Уплотнение - Есть

Цены указаны ознакомительные, для уточнения цены и наличия просим связаться с нами по телефону, или отправить заявку на почту - sales@specprompodshipnik.ru или по тел.: +7(499) 369-70-54

Возврат к списку