Подшипник SB206-20 (KOYO)

Подшипник SB206-20 (KOYO)

Технические характеристики

Обозначение : SB206-20

Размеры, мм : 62x31.75x30

Производитель : KOYO

Диаметр внутренний, мм : 62

Диаметр наружный, мм : 31.75

Высота, мм : 30

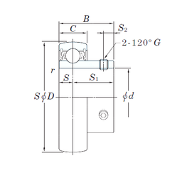
Технические данные из каталога производителя :

Внутренний диаметр (d) - 31.75 мм.

Наружный диаметр (D) - 62 мм.

Ширина (высота) (B) - 30 мм.

Ширина наружной обоймы (C) - 16 мм.

Размер (S1) - 22

Размер (r min.) - 1 мм.

Размер (S) - 8 мм.

Размер (S2) - 6

Резьба (G) - 1/4-28UNF

Масса - 0,27 Кг

Грузоподъемность динамическая (C) - 19,5 кН

Грузоподъемность статическая (C0) - 11,3 кН

Расчетный коэффициент (f0) - 13,9

Количество дорожек качения - 1

Уплотнение - Есть

Цены указаны ознакомительные, для уточнения цены и наличия просим связаться с нами по телефону, или отправить заявку на почту - sales@specprompodshipnik.ru или по тел.: +7(499) 369-70-54

Возврат к списку