Подшипник SB205 (KOYO)

Подшипник SB205 (KOYO)

Технические характеристики

Обозначение : SB205

Размеры, мм : 25x52x27

Производитель : KOYO

Диаметр внутренний, мм : 25

Диаметр наружный, мм : 52

Высота, мм : 27

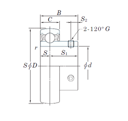
Технические данные из каталога производителя :

Внутренний диаметр (d) - 25 мм.

Наружный диаметр (D) - 52 мм.

Ширина (высота) (B) - 27 мм.

Ширина наружной обоймы (C) - 15 мм.

Размер (S1) - 19,5

Размер (r min.) - 1 мм.

Размер (S) - 7,5 мм.

Размер (S2) - 5,5

Резьба (G) - M6×0,75

Масса - 0,18 Кг

Грузоподъемность динамическая (C) - 14 кН

Грузоподъемность статическая (C0) - 7,85 кН

Расчетный коэффициент (f0) - 13,9

Количество дорожек качения - 1

Уплотнение - Есть

Цены указаны ознакомительные, для уточнения цены и наличия просим связаться с нами по телефону, или отправить заявку на почту - sales@specprompodshipnik.ru или по тел.: +7(499) 369-70-54

Возврат к списку