Подшипник SB204 (ISO)

Подшипник SB204 (ISO)

Технические характеристики

Обозначение : SB204

Размеры, мм : 20x47x25

Диаметр внутренний, мм : 20

Диаметр наружный, мм : 47

Высота, мм : 25

Технические данные из каталога производителя :

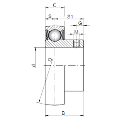
Внутренний диаметр (d) - 20 мм.

Наружный диаметр (D) - 47 мм.

Ширина (высота) (B) - 25 мм.

Ширина наружной обоймы (C) - 14 мм.

Размер (S1) - 18

Размер (G) - 4,5 мм.

Размер (S) - 7 мм.

Болт (G) - M6X1

Масса - 0,13 Кг

Количество дорожек качения - 1

Уплотнение - Есть

Цены указаны ознакомительные, для уточнения цены и наличия просим связаться с нами по телефону, или отправить заявку на почту - sales@specprompodshipnik.ru или по тел.: +7(499) 369-70-54

Возврат к списку