Подшипник SB204 (CX)

Подшипник SB204 (CX)

Технические характеристики

Обозначение : SB204

Размеры, мм : 20x47x25

Производитель : CX

Диаметр внутренний, мм : 20

Диаметр наружный, мм : 47

Высота, мм : 25

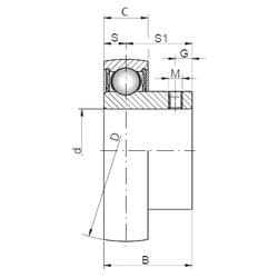
Технические данные из каталога производителя :

Внутренний диаметр (d) - 20 мм.

Наружный диаметр (D) - 47 мм.

Ширина (высота) (B) - 25 мм.

Ширина наружной обоймы (C) - 14 мм.

Размер (S1) - 18

Размер (G) - 4,5 мм.

Размер (S) - 7 мм.

Болт (G) - M6X1

Масса - 0,13 Кг

Грузоподъемность динамическая (C) - 9,88 кН

Грузоподъемность статическая (C0) - 6,2 кН

Количество дорожек качения - 1

Уплотнение - Есть

Цены указаны ознакомительные, для уточнения цены и наличия просим связаться с нами по телефону, или отправить заявку на почту - sales@specprompodshipnik.ru или по тел.: +7(499) 369-70-54

Возврат к списку