Подшипник SB202 (KOYO)

Подшипник SB202 (KOYO)

Технические характеристики

Обозначение : SB202

Размеры, мм : 15x40x22

Производитель : KOYO

Диаметр внутренний, мм : 15

Диаметр наружный, мм : 40

Высота, мм : 22

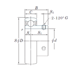
Технические данные из каталога производителя :

Внутренний диаметр (d) - 15 мм.

Наружный диаметр (D) - 40 мм.

Ширина (высота) (B) - 22 мм.

Ширина наружной обоймы (C) - 12 мм.

Размер (S1) - 16

Размер (r min.) - 0,6 мм.

Размер (S) - 6 мм.

Размер (S2) - 4

Резьба (G) - M5×0,5

Масса - 0,1 Кг

Грузоподъемность динамическая (C) - 9,55 кН

Грузоподъемность статическая (C0) - 4,8 кН

Расчетный коэффициент (f0) - 13,2

Количество дорожек качения - 1

Уплотнение - Есть

Цены указаны ознакомительные, для уточнения цены и наличия просим связаться с нами по телефону, или отправить заявку на почту - sales@specprompodshipnik.ru или по тел.: +7(499) 369-70-54

Возврат к списку