Подшипник SB1090 (KOYO)

Подшипник SB1090 (KOYO)

Технические характеристики

Обозначение : SB1090

Размеры, мм : 1090x1350x122

Производитель : KOYO

Диаметр внутренний, мм : 1090

Диаметр наружный, мм : 1350

Высота, мм : 122

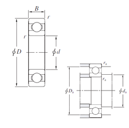
Технические данные из каталога производителя :

Внутренний диаметр (d) - 1090 мм.

Наружный диаметр (D) - 1350 мм.

Ширина (высота) (B) - 122 мм.

Размер (r min.) - 7,5 мм.

Размер сопряженных деталей (da min.) - 1122

Размер сопряженных деталей (Da max.) - 1318

Размер сопряженных деталей (ra max.) - 6

Масса - 376 Кг

Грузоподъемность динамическая (C) - 890 кН

Грузоподъемность статическая (C0) - 2140 кН

Расчетный коэффициент (f0) - 16

Количество дорожек качения - 1

Уплотнение - Нет

Цены указаны ознакомительные, для уточнения цены и наличия просим связаться с нами по телефону, или отправить заявку на почту - sales@specprompodshipnik.ru или по тел.: +7(499) 369-70-54

Возврат к списку