Подшипник SA207 (KOYO)

Подшипник SA207 (KOYO)

Технические характеристики

Обозначение : SA207

Размеры, мм : 33.3375x72x23

Производитель : KOYO

Диаметр внутренний, мм : 33,3375

Диаметр наружный, мм : 72

Высота, мм : 23

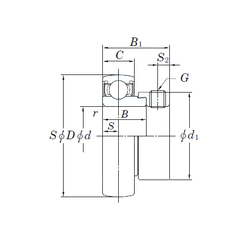
Технические данные из каталога производителя :

Внутренний диаметр (d) - 33,3375 мм.

Наружный диаметр (D) - 72 мм.

Ширина (высота) (B) - 23 мм.

Ширина внутренней обоймы (B1) - 36,5 мм.

Ширина наружной обоймы (C) - 17 мм.

Размер (d1) - 55,6 мм.

Размер (r min.) - 1,1 мм.

Размер (C) - ? мм.

Размер (S) - 8,5 мм.

Размер (S2) - 6,8

Резьба (G) - M8×1

Масса - 0,5 Кг

Грузоподъемность динамическая (C) - 25,7 кН

Грузоподъемность статическая (C0) - 15,4 кН

Расчетный коэффициент (f0) - 13,9

Количество дорожек качения - 1

Уплотнение - Есть

Цены указаны ознакомительные, для уточнения цены и наличия просим связаться с нами по телефону, или отправить заявку на почту - sales@specprompodshipnik.ru или по тел.: +7(499) 369-70-54

Возврат к списку