Подшипник SA206-20 (KOYO)

Подшипник SA206-20 (KOYO)

Технические характеристики

Обозначение : SA206-20

Размеры, мм : 30x62x22

Производитель : KOYO

Диаметр внутренний, мм : 30

Диаметр наружный, мм : 62

Высота, мм : 22

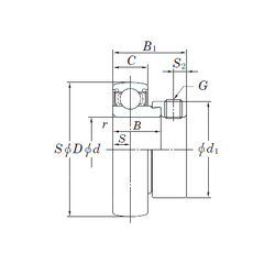
Технические данные из каталога производителя :

Внутренний диаметр (d) - 30 мм.

Наружный диаметр (D) - 62 мм.

Ширина (высота) (B) - 22 мм.

Ширина внутренней обоймы (B1) - 33,9 мм.

Ширина наружной обоймы (C) - 16 мм.

Размер (d1) - 44,5 мм.

Размер (r min.) - 1 мм.

Размер (C) - ? мм.

Размер (S) - 8 мм.

Размер (S2) - 6

Резьба (G) - 5/16-24UNF

Масса - 0,3 Кг

Грузоподъемность динамическая (C) - 19,5 кН

Грузоподъемность статическая (C0) - 11,3 кН

Расчетный коэффициент (f0) - 13,9

Количество дорожек качения - 1

Уплотнение - Есть

Цены указаны ознакомительные, для уточнения цены и наличия просим связаться с нами по телефону, или отправить заявку на почту - sales@specprompodshipnik.ru или по тел.: +7(499) 369-70-54

Возврат к списку