Подшипник SA204 (KOYO)

Подшипник SA204 (KOYO)

Технические характеристики

Обозначение : SA204

Размеры, мм : 20x47x20

Производитель : KOYO

Диаметр внутренний, мм : 20

Диаметр наружный, мм : 47

Высота, мм : 20

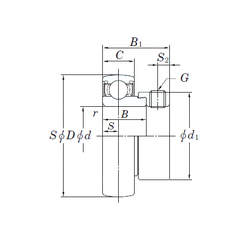
Технические данные из каталога производителя :

Внутренний диаметр (d) - 20 мм.

Наружный диаметр (D) - 47 мм.

Ширина (высота) (B) - 20 мм.

Ширина внутренней обоймы (B1) - 29,5 мм.

Ширина наружной обоймы (C) - 14 мм.

Размер (d1) - 33,3 мм.

Размер (r min.) - 1 мм.

Размер (C) - ? мм.

Размер (S) - 7 мм.

Размер (S2) - 4,8

Резьба (G) - M6×0,75

Масса - 0,15 Кг

Грузоподъемность динамическая (C) - 12,8 кН

Грузоподъемность статическая (C0) - 6,65 кН

Расчетный коэффициент (f0) - 13,2

Количество дорожек качения - 1

Уплотнение - Есть

Цены указаны ознакомительные, для уточнения цены и наличия просим связаться с нами по телефону, или отправить заявку на почту - sales@specprompodshipnik.ru или по тел.: +7(499) 369-70-54

Возврат к списку