Подшипник SA202-10 (KOYO)

Подшипник SA202-10 (KOYO)

Технические характеристики

Обозначение : SA202-10

Размеры, мм : 15.875x40x19

Производитель : KOYO

Диаметр внутренний, мм : 15,875

Диаметр наружный, мм : 40

Высота, мм : 19

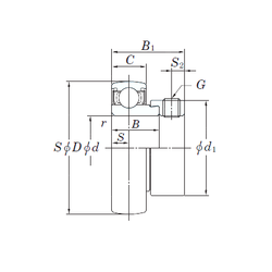
Технические данные из каталога производителя :

Внутренний диаметр (d) - 15,875 мм.

Наружный диаметр (D) - 40 мм.

Ширина (высота) (B) - 19 мм.

Ширина внутренней обоймы (B1) - 28,5 мм.

Ширина наружной обоймы (C) - 12 мм.

Размер (d1) - 28,6 мм.

Размер (r min.) - 0,6 мм.

Размер (C) - ? мм.

Размер (S) - 6 мм.

Размер (S2) - 4,8

Резьба (G) - 1/4-28UNF

Масса - 0,13 Кг

Грузоподъемность динамическая (C) - 9,55 кН

Грузоподъемность статическая (C0) - 4,8 кН

Расчетный коэффициент (f0) - 13,2

Количество дорожек качения - 1

Уплотнение - Есть

Цены указаны ознакомительные, для уточнения цены и наличия просим связаться с нами по телефону, или отправить заявку на почту - sales@specprompodshipnik.ru или по тел.: +7(499) 369-70-54

Возврат к списку