Подшипник S9KD (Timken)

Подшипник S9KD (Timken)

Технические характеристики

Обозначение : S9KD

Размеры, мм : 22.225x47.625x9.52

Производитель : Timken

Диаметр внутренний, мм : 22,225

Диаметр наружный, мм : 47,625

Высота, мм : 9,52

Технические данные из каталога производителя :

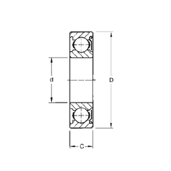
Внутренний диаметр (d) - 22,225 мм.

Наружный диаметр (D) - 47,625 мм.

Ширина (высота) (B) - 9,52 мм.

Ширина наружной обоймы (C) - 9,52 мм.

Масса - 0,064 Кг

Грузоподъемность динамическая (C) - 11 кН

Грузоподъемность статическая (C0) - 4,9 кН

Количество дорожек качения - 1

Уплотнение - Есть

Цены указаны ознакомительные, для уточнения цены и наличия просим связаться с нами по телефону, или отправить заявку на почту - sales@specprompodshipnik.ru или по тел.: +7(499) 369-70-54

Возврат к списку