Подшипник S3K (Timken)

Подшипник S3K (Timken)

Технические характеристики

Обозначение : S3K

Размеры, мм : 9.525x22.225x5.56

Производитель : Timken

Диаметр внутренний, мм : 9,525

Диаметр наружный, мм : 22,225

Высота, мм : 5,56

Технические данные из каталога производителя :

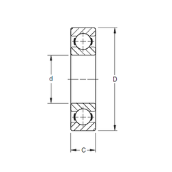
Внутренний диаметр (d) - 9,525 мм.

Наружный диаметр (D) - 22,225 мм.

Ширина (высота) (B) - 5,56 мм.

Ширина наружной обоймы (C) - 5,56 мм.

Масса - 0,009 Кг

Грузоподъемность динамическая (C) - 3,65 кН

Грузоподъемность статическая (C0) - 1,4 кН

Количество дорожек качения - 1

Уплотнение - Нет

Цены указаны ознакомительные, для уточнения цены и наличия просим связаться с нами по телефону, или отправить заявку на почту - sales@specprompodshipnik.ru или по тел.: +7(499) 369-70-54

Возврат к списку