Подшипник S1K7 (Timken)

Подшипник S1K7 (Timken)

Технические характеристики

Обозначение : S1K7

Размеры, мм : 6.35x15.875x4.98

Производитель : Timken

Диаметр внутренний, мм : 6,35

Диаметр наружный, мм : 15,875

Высота, мм : 4,98

Технические данные из каталога производителя :

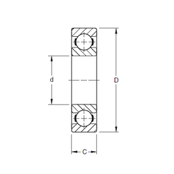
Внутренний диаметр (d) - 6,35 мм.

Наружный диаметр (D) - 15,875 мм.

Ширина (высота) (B) - 4,98 мм.

Ширина наружной обоймы (C) - 4,98 мм.

Масса - 0,005 Кг

Грузоподъемность динамическая (C) - 1,63 кН

Грузоподъемность статическая (C0) - 0,56 кН

Количество дорожек качения - 1

Уплотнение - Нет

Цены указаны ознакомительные, для уточнения цены и наличия просим связаться с нами по телефону, или отправить заявку на почту - sales@specprompodshipnik.ru или по тел.: +7(499) 369-70-54

Возврат к списку