Подшипник S1K (Timken)

Подшипник S1K (Timken)

Технические характеристики

Обозначение : S1K

Размеры, мм : 6.35x19.05x5.56

Производитель : Timken

Диаметр внутренний, мм : 6,35

Диаметр наружный, мм : 19,05

Высота, мм : 5,56

Технические данные из каталога производителя :

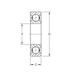
Внутренний диаметр (d) - 6,35 мм.

Наружный диаметр (D) - 19,05 мм.

Ширина (высота) (B) - 5,56 мм.

Ширина наружной обоймы (C) - 5,56 мм.

Масса - 0,009 Кг

Грузоподъемность динамическая (C) - 3,1 кН

Грузоподъемность статическая (C0) - 1,16 кН

Количество дорожек качения - 1

Уплотнение - Нет

Цены указаны ознакомительные, для уточнения цены и наличия просим связаться с нами по телефону, или отправить заявку на почту - sales@specprompodshipnik.ru или по тел.: +7(499) 369-70-54

Возврат к списку