Подшипник S12K (Timken)

Подшипник S12K (Timken)

Технические характеристики

Обозначение : S12K

Размеры, мм : 57,15x31.75x9,52

Производитель : Timken

Диаметр внутренний, мм : 57,15

Диаметр наружный, мм : 31.75

Высота, мм : 9,52

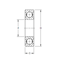
Технические данные из каталога производителя :

Внутренний диаметр (d) - 31.75 мм.

Наружный диаметр (D) - 57,15 мм.

Ширина (высота) (B) - 9,52 мм.

Ширина наружной обоймы (C) - 9,52 мм.

Масса - 0,1 Кг

Грузоподъемность динамическая (C) - 12,2 кН

Грузоподъемность статическая (C0) - 6 кН

Количество дорожек качения - 1

Уплотнение - Нет

Цены указаны ознакомительные, для уточнения цены и наличия просим связаться с нами по телефону, или отправить заявку на почту - sales@specprompodshipnik.ru или по тел.: +7(499) 369-70-54

Возврат к списку