Подшипник S10K (Timken)

Подшипник S10K (Timken)

Технические характеристики

Обозначение : S10K

Размеры, мм : 25.4x50.8x9.52

Производитель : Timken

Диаметр внутренний, мм : 25,4

Диаметр наружный, мм : 50,8

Высота, мм : 9,52

Технические данные из каталога производителя :

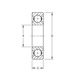
Внутренний диаметр (d) - 25,4 мм.

Наружный диаметр (D) - 50,8 мм.

Ширина (высота) (B) - 9,52 мм.

Ширина наружной обоймы (C) - 9,52 мм.

Масса - 0,082 Кг

Грузоподъемность динамическая (C) - 11 кН

Грузоподъемность статическая (C0) - 4,9 кН

Количество дорожек качения - 1

Уплотнение - Нет

Цены указаны ознакомительные, для уточнения цены и наличия просим связаться с нами по телефону, или отправить заявку на почту - sales@specprompodshipnik.ru или по тел.: +7(499) 369-70-54

Возврат к списку