Подшипник RNR-2210X9KK (NMB)

Подшипник RNR-2210X9KK (NMB)

Технические характеристики

Обозначение : RNR-2210X9KK

Размеры, мм : 10x22x6

Производитель : NMB

Диаметр внутренний, мм : 10

Диаметр наружный, мм : 22

Высота, мм : 6

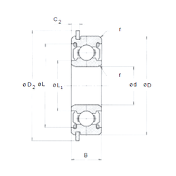
Технические данные из каталога производителя :

Внутренний диаметр (d) - 10 мм.

Наружный диаметр (D) - 22 мм.

Ширина (высота) (B) - 6 мм.

Ширина наружной обоймы (C) - 6 мм.

Размер (r min.) - 0,3 мм.

Размер (D2) - 0,012 мм.

Размер (L) - 19,4

Размер (L1) - 13,4 мм.

Размер (C2) - 24,7

Грузоподъемность динамическая (C) - 2,697 кН

Грузоподъемность статическая (C0) - 1,273 кН

Количество дорожек качения - 1

Уплотнение - Есть

Цены указаны ознакомительные, для уточнения цены и наличия просим связаться с нами по телефону, или отправить заявку на почту - sales@specprompodshipnik.ru или по тел.: +7(499) 369-70-54

Возврат к списку