Подшипник RNR-1760X2ZZ (NMB)

Подшипник RNR-1760X2ZZ (NMB)

Технические характеристики

Обозначение : RNR-1760X2ZZ

Размеры, мм : 6x17x6

Производитель : NMB

Диаметр внутренний, мм : 6

Диаметр наружный, мм : 17

Высота, мм : 6

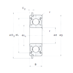
Технические данные из каталога производителя :

Внутренний диаметр (d) - 6 мм.

Наружный диаметр (D) - 17 мм.

Ширина (высота) (B) - 6 мм.

Ширина наружной обоймы (C) - 6 мм.

Размер (r min.) - 0,3 мм.

Размер (D2) - 0,012 мм.

Размер (L) - 14,7

Размер (L1) - 8,22 мм.

Размер (C2) - 19,2

Грузоподъемность динамическая (C) - 2,265 кН

Грузоподъемность статическая (C0) - 0,839 кН

Количество дорожек качения - 1

Уплотнение - Есть

Цены указаны ознакомительные, для уточнения цены и наличия просим связаться с нами по телефону, или отправить заявку на почту - sales@specprompodshipnik.ru или по тел.: +7(499) 369-70-54

Возврат к списку