Подшипник RIF-814ZZ (NMB)

Подшипник RIF-814ZZ (NMB)

Технические характеристики

Обозначение : RIF-814ZZ

Размеры, мм : 6.35x12.7x4.762

Производитель : NMB

Диаметр внутренний, мм : 6,35

Диаметр наружный, мм : 12,7

Высота, мм : 4,762

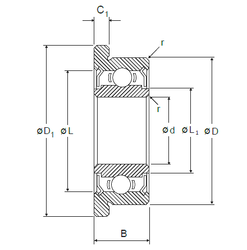
Технические данные из каталога производителя :

Внутренний диаметр (d) - 6,35 мм.

Наружный диаметр (D) - 12,7 мм.

Ширина (высота) (B) - 4,762 мм.

Ширина наружной обоймы (C) - 4,762 мм.

Размер (r min.) - 0,13 мм.

Размер (C1) - 1,14 мм.

Размер (D1) - 13,89 мм.

Размер (L) - 0,454

Размер (L1) - 0,33 мм.

Грузоподъемность динамическая (C) - 0,828 кН

Грузоподъемность статическая (C0) - 0,374 кН

Количество дорожек качения - 1

Уплотнение - Нет

Цены указаны ознакомительные, для уточнения цены и наличия просим связаться с нами по телефону, или отправить заявку на почту - sales@specprompodshipnik.ru или по тел.: +7(499) 369-70-54

Возврат к списку