Подшипник RIF-5632 (NMB)

Подшипник RIF-5632 (NMB)

Технические характеристики

Обозначение : RIF-5632

Размеры, мм : 4.762x7.938x2.779

Производитель : NMB

Диаметр внутренний, мм : 4,762

Диаметр наружный, мм : 7,938

Высота, мм : 2,779

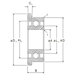
Технические данные из каталога производителя :

Внутренний диаметр (d) - 4,762 мм.

Наружный диаметр (D) - 7,938 мм.

Ширина (высота) (B) - 2,779 мм.

Ширина наружной обоймы (C) - 2,779 мм.

Размер (r min.) - 0,08 мм.

Размер (C1) - 0,58 мм.

Размер (D1) - 9,12 мм.

Размер (L) - 0,279

Размер (L1) - 0,221 мм.

Грузоподъемность динамическая (C) - 0,391 кН

Грузоподъемность статическая (C0) - 0,142 кН

Количество дорожек качения - 1

Уплотнение - Нет

Цены указаны ознакомительные, для уточнения цены и наличия просим связаться с нами по телефону, или отправить заявку на почту - sales@specprompodshipnik.ru или по тел.: +7(499) 369-70-54

Возврат к списку